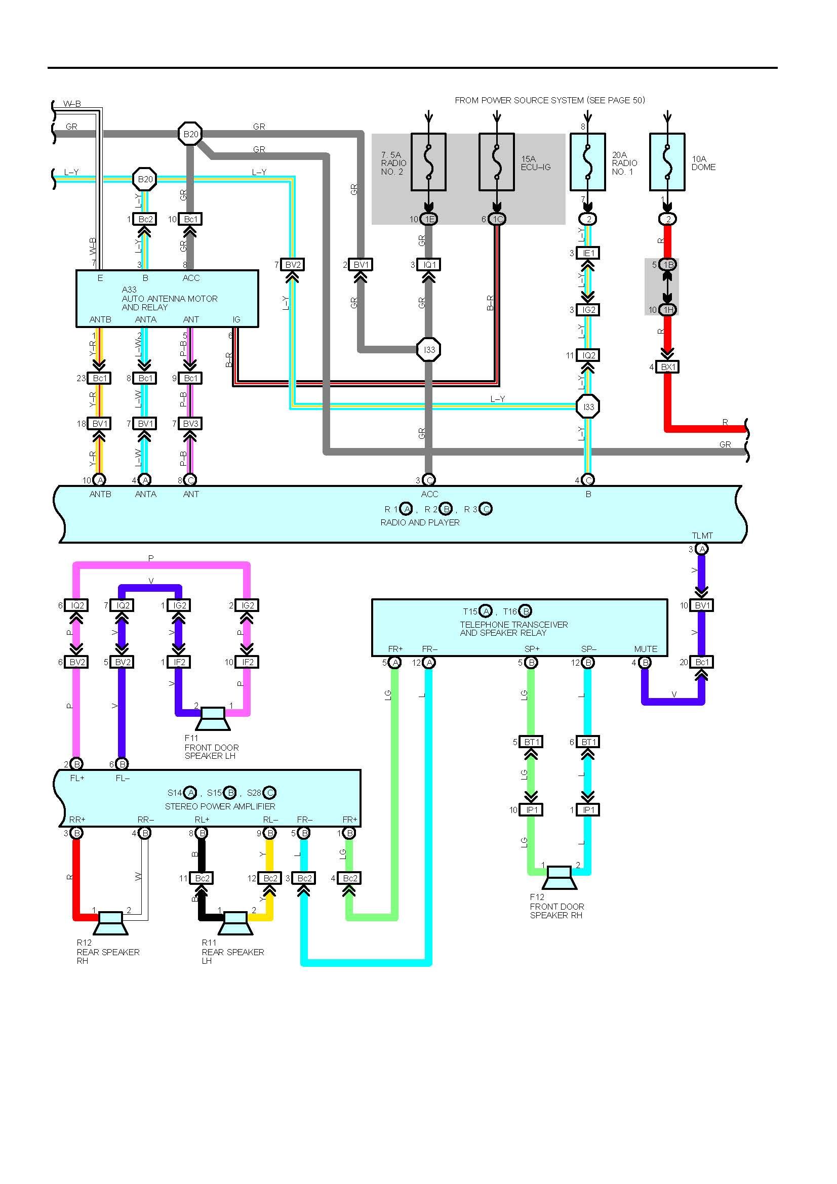
Factory amp wiring diagram
  				
  
  									  													Clublexus es330.   						  													Factory amp wiring diagram. 21 fresh loc2sl wiring diagram. Clublexus es330   											
  							    		    			  												   						  							
  						Lexus Subwoofer Amp is Playing Dead
   					   									   						  							
  						Adding RCAs to a Standard Car Head Unit : 6 Steps (with Pictures
   					   									   						  							
  						Yet another subwoofer amplifier install project! Any advice? - Club
   					   									   						  							
  						21 Fresh Loc2Sl Wiring Diagram
   					   									   						  							
  						Amp wire diagram is this it? - ClubLexus - Lexus Forum Discussion
   					   							  			  												  									  									  									  									  							  	   	
  		  	   
No hay comentarios:
Publicar un comentario